- BHMA Grade 1
- Full Concealed, Heavy Duty
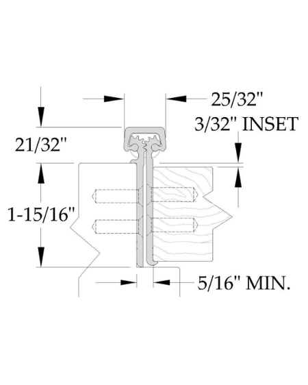
- 3/32" Door Inset
- Door edge protection lip
- For use on 1-3/4" thick doors
- 48" door width maximum
- 450 lbs. door weight maximum
- Average weight per unit = 11 lbs
- "LL" model for doors up to 1,000 lbs (lead-lined staggered hole pattern)
-
Fasteners:
12-24 X 3/4" undercut self drilling, thread forming tek machine screws
-
Standard Lengths:
79", 83", 85", 95" and 120" + Custom Sizes Available
-
Fire Rating
- Approved for use on metal swinging type fire doors rated up to and including 90 minutes (Specifiy "FR" option for 3 hour rating)
- Approved for use on wood swinging type fire doors rated up to and including 60 minutes (Specifiy "FR" option for 90 minute rating)
-
Reinforcement:
- Door Side: Not required for door weight up to 200 lbs. ABH recommends a minimum 12 gauge plate/channel for heavier doors.
- Frame Side: Not required for door weight up to 200 lbs. For doors more than 200 lbs., a 16 gauge channel is recommended.
- "EA-12" Easy Access (12) 22 AWG Super Flex Ribbon Through Wire
- "EA12-EZ" Easy Access (12) 22 AWG Super Flex Ribbon Through Wire with EZ Connectors
- "R" Removable Electrical Access Prep
- "PT" Electrical Power Transfer Prep (Specify Electrical Power Transfer Model, Location & Handing
- "EM" Concealed Electrical Magnetic Monitoring Switch
- "ES" Exposed Electrical Monitoring Switch
- "FR" Fire Studs
- "HT" Hospital Tip
- "WEDGE-FM" Adjustable Safety Wedge for Full Mortise Models
- "AHT-FM" Advanced Hospital Tip for Full Mortise Ligature-Resistant Applications (Specify Handing)
- "LR-BEAR" Ligature-Resistant Bearings
- "DD" Dutch Door Prep
- "SEC" Fasteners
- "CUT" Cut to Custom Length
- "TR" Tamper-Resistant (Hospital Tip, Every Other Bearing has a Set Screw) & Security Fasteners (Specify Door & Frame Material)
- "TR-AHT-FM" Tamper-Resistant (Advanced Hospital Tip, Every Other Bearing has a Set Screw) & Security Fasteners (Specify Door & Frame Material) for Full Mortise
- "SC" School Cap
- "SPLICE" Spliced Hinge
- "SL" - Sheared Leaf
- "THICK" Special Door Thickness
- "CUSTOM HOLE" Custom hole locations
- "CUSTOM FINISH"
Cut Sheets
Templates
- A240HD/A240LL Aluminum Continuous Gear Hinges Full Mortise
- A240HD-EA Option, Easy Access Concealed Electrification
- A240HD-EA & R, Electrical Modification With Removable Option
- A240HD "EM" Option, Concealed Electrical Magnet Monitoring Switch
- A240HD "ES" Option, Exposed Electrical Monitoring Switch
- Powder Coat Masking for Full Concealed Aluminum Continuous Geared Hinges
- Fire Rated Studs for Full Concealed Aluminum Geared Hinge
- Full Concealed Installation Instructions
- Auburn University - Spec
